Flugtveje og nødudgange
Løb ikke risikoen - kend de nyeste regler!
Ifølge Bygningsreglementet (BR18) skal der både være flugtveje og redningsveje i enhver erhvervsbygning, og derfor har vi udarbejdet en gennemgang af de vigtigste regler til dig.
Det kan være fatalt, hvis der opstår en nødsituation i virksomheden og der ikke er taget højde for nødudgange og flugtveje. Dette er årsagen til, at evakueringsinstrukser skal tjekkes regelmæssigt.
Med et årligt tjek af panikbeslag ved nødudgange og alle flugtveje tager du aktivt hånd om alles sikkerhed og forebygger effektivt skader og uheld i forbindelse med nødsituationer. De 3 primære produktområder er:
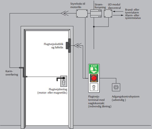
+ Eksempel på en nødudgang løsning

Få rådgivning om nødudgange ➜
Hvordan virker panikbeslag?
Panikbeslag sørger for, at døren automatisk åbner, såfremt folk bliver presset imod den. Dermed undgår man, at paniksituationer udvikler sig fatalt. I tilfælde af f.eks. brand kan der også nemt opstå en paniksituation, specielt hvis der er mange mennesker til stede.
Derfor er det et krav i Bygningsreglementet fra brandmyndighederne, at enhver bygning udformes således, at evakuering nemt kan ske uden brug af nøgle.
GUIDE: Læs om lovpligtigt nødbelysning ved flugtveje
Ved at montere de godkendte panikbeslag 'EN 1125' eller 'EN 179' (bestemmelserne for CE-mærkning) som vi tilbyder, er du sikker på at leve op til gældende sikkerhedskrav.

EN-standarder for panikbeslag
Siden 2010 har det været et krav, at alle panikbeslag skal være godkendt i henhold til de nyeste revisioner af 'EN 1125' og 'EN 179'. Hvilken af modellerne du skal vælge, afhænger af hvor beslagene skal anvendes. 'EN 1125' er designet til brug i bygninger, som bruges af offentligheden, f.eks. skoler, hoteller og biografer.
'EN 179' er til bygninger, som udelukkende bruges af personer, som er bekendte med flugtvejen, det vil sige arbejdspladser uden offentlig adgang. Er du i tvivl om, hvilket panik beslag, du skal vælge, bør du altid vælge 'EN 1125'.
Du er velkommen til at kontakte os på tlf. 70 20 21 12 eller på mail bagger@bagger-laase.dk for yderligere rådgivning om evakueringsinstrukser. Vi hjælper også med rådgivning om brandsikring og dørautomatik.
Få rådgivning fra Thomas
Nyeste anmeldelser
fra vores kunder
⭐️⭐️⭐️⭐️⭐️
Super service, svarer og kommer omgående, dygtige montører der har svar og lyst til at løse alle låseopgaver med et smil og faglig dygtighed.
Anders Elgen
⭐️⭐️⭐️⭐️⭐️
Super god service og høflige medarbejdere. Det gik dejlig hurtigt og de ryddede pænt op efter sig, intet skidt at sige herfra.
Nanna Hvitfeldt Appel
⭐️⭐️⭐️⭐️⭐️
Vil til hver en tid bruge Bagger låse og alarm. Bedre håndværk finder man ikke. Produkterne er i top og af bedste kvalitet. Kan varmt anbefale firmaet til både private og erhverv.
Frederik Postborg
⭐️⭐️⭐️⭐️⭐️
Tak til jer for hurtig udrykning, da vi ikke kunne komme ind til en borger - 10 minutter udrykningstid er der ikke mange der kan prale med!
Sorø Ældrepleje
⭐️⭐️⭐️⭐️⭐️
Super god service. Og de kan virkelig deres håndværk.
Palle Bjerrisgaard
⭐️⭐️⭐️⭐️⭐️
Har benyttet dem som firma, behagelig konsulent, kompetent, fin rådgivning.
Søren Skovgaard
⭐️⭐️⭐️⭐️⭐️
Fik opdateret mit tyverisikringsanlæg af Bagger Låse & Alarm. Hurtigt og effektivt og god service.
Steen Enrico Andersen
⭐️⭐️⭐️⭐️⭐️
Super professionelt firma med faglig og ledelsesmæssig høj kompentence.
Irene Diget
⭐️⭐️⭐️⭐️⭐️
Kan varmt anbefales. Handlet med Bagger i 20 år. Høj kvalitet og høj service.
Hilmer Juhl Christiensen
⭐️⭐️⭐️⭐️⭐️
Fremragende service, de kom og leverende varen, var super flinke og smilende. Havde sådan en god oplevelse og mit hjem var atter sikkert igen. Kan klart anbefales.
Ole Høj
⭐️⭐️⭐️⭐️⭐️
Bagger Låse kan kun anbefales - Meget tilfreds!
Frank Ditmar
⭐️⭐️⭐️⭐️⭐️
Bagger er lige blevet færdig med vores nye bygning - jeg kan på det varmeste anbefale dem :)
Vending Automater ApS
⭐️⭐️⭐️⭐️
Responsum anbefaler - både til alarm og SALTO KS adgangskontrol.
Responsum
⭐️⭐️⭐️⭐️⭐️
Kan godt anbefale at bruge dem, hurtig respons og forståelse for ens situation.
Lisbet Nielsen
⭐️⭐️⭐️⭐️⭐️
Dygtig, hurtig og meget professionelt arbejde af Ricki Andersen fra Bagger Låse. Kan varmt anbefale dette firma.
Tina Rosendhahl
⭐️⭐️⭐️⭐️⭐️
Vi har brugt Bagger flere gange i firmaet til låsesystemer og nøgler, vi er yderst tilfredse med servicen og ydelserne.
Jonas Vignal-Olsen
⭐️⭐️⭐️⭐️⭐️
Hurtig og effektiv montering af alarm. Supergodt tilfreds.
Vinylbaronen Slagelse
⭐️⭐️⭐️⭐️⭐️
Mette Bech Elsgaard
⭐️⭐️⭐️⭐️⭐️
Kan desværre kun give 5 stjerner, Bagger Låse & Alarm har helt klart fortjent 10 store stjerner.
Niklas Pandell
⭐️⭐️⭐️⭐️⭐️
Havde en episode natten til søndag, hvor jeg havde mistet mine nøgler. Mødte en glad og smilende låsesmed og er fuldt ud tilfreds med servicen.
Kristian Girstø Bay
⭐️⭐️⭐️⭐️⭐️
Forrige søndag havde jeg haft indbrud og i løbet af en halv time stod der en låsesmed fra Bagger. Det var super service i en dårlig situation og I må rose dem der var her for godt arbejde.
Lisbet Nielsen
⭐️⭐️⭐️⭐️⭐️
Professionelt firma med gode produkter af høj kvalitet. Enormt serviceorienteret og altid klar med en løsning på problemerne. Det er en fornøjelse at samarbejde med Bagger Låse.
Naboskab ApS
⭐️⭐️⭐️⭐️⭐️
Lynhurtigt service 👍
Renè Sørensen
⭐️⭐️⭐️⭐️⭐️
Super god service. Jeg er meget tilfreds.
Jens Lykkedal Olsen
Anbefalet løsninger ved nødudgange

I erhvervsbygninger hvor der dagligt samles mange mennesker, så er panikbeslag den optimale løsning, der garanterer, at alle uden nøgle kan komme ud af et lokale eller en bygning.
Panikbeslag er også en essentiel sikkerhedsforanstaltning, hvor folk ikke ved, hvor flugtvejene er. Det kan være alt lige fra et storcenter til et museum eller en arena, hvor der hurtigt kan opstå nødsituationer.
Med godkendte panikbeslag sikrer du derved, at medarbejdere, kunder eller andre, kan komme ud i tilfælde af brand eller lignende nødstilfælde.
Nogle panikbeslag er markeret som godkendte til situationer med brand, hvorimod almindelige panikbeslag er godkendte til flugtveje ved paniksituationer.

Nødudgangsbeslag er designet specifikt til nødudgange og anbefales primært til steder, hvor de daglige brugere er bekendt med omgivelserne og nødudgangenes placering.
Da disse brugere forventes at kende stedet godt, er risikoen for panik minimal. Nødudgangsbeslag er derfor ideelle for lokationer med et begrænset eller konstant antal personer, såsom arbejdspladser, private bygninger og restauranter uden offentlig adgang.
Nødudgangsbeslag sikrer sikre flugtveje, og nogle er endda specielt certificerede for branddøre.
Det er dog vigtigt, at der udføres regelmæssig vedligeholdelse og inspektion af alle nødudgangsbeslag for at sikre deres funktionalitet.

Vi anbefaler, at du bruger flugtvejsterminaler sammen med panikbeslag og nødudgangsbeslag. Flugtvejsterminalen har nemlig til hensigt at sikre ukorrekt brug af flugtvejene.
Hvis der eksempelvis ikke er slået alarm, vil terminalen sikre, at åbningen af døren vil forsinkes med op til 15 sekunder. På den måde kan man forebygge uautoriseret brug af nøddøre. Flugtvejsterminaler er især uundværligt steder, hvor tyveri eller andre ulovlige handlinger udføres via flugtveje f.eks. i et shopping-center eller på et stadion i forbindelse med koncerter.
Du kan vælge situationer, hvor terminalen ikke skal forsinke adgangen f.eks. i forbindelse med en brandalarm. Systemet er derfor fleksibelt og kan tilpasses både ADK-systemer og diverse mekaniske låse.
Vigtige regler ved flugtveje og nødudgange
1. Regler for flugtveje jf. bygningsreglementet
Flugtveje er for det meste de samme indgange og udgange som dem, vi normalt anvender til hverdag. Som udgangspunkt er flugtvejen den vej, hvor det ikke er nødvendigt at anvende værktøj eller kravle over noget, for at komme ud.
I erhvervsbygninger skal man, ifølge arbejdsmiljøstyrelsens bygningsreglement 95, så vidt muligt have flugtveje, som åbner med flugtretningen. Flugtveje må derfor ikke være skydedøre eller drejedøre. Elevatorer og rulletrapper accepteres heller ikke som flugtveje.
Frihøjden under døren eller lignende må ikke være under 1,9 meter. I nybyggeri skal den dog være hele 2,1 meter, grundet den øgede gennemsnitshøjde i befolkningen.
Der skal som hovedregel være mindst 2 udgange til flugtveje som uafhængigt leder ud til det fri eller et andet lokale som har en flugtvej ud til frit terræn. I mindre kontorlokaler accepteres 1 udgang, hvis denne udgang leder til et lokale med 2 flugtvejsudgange.
Samtidigt bør der ikke være mere end 25 meter til nærmeste flugtvejsudgang og ikke mere end 50 meter imellem de 2 flugtvejsudgange.
Desuden gælder det for alle flugtveje, at der skal være tydelig skiltning og at de er tilstrækkeligt belyst. Lyset skal kunne opretholdes i 30 minutter efter en evt. strømafbrydelse.
Trapper godkendes i forbindelse med flugtveje, men skal være min. 1 meter bredde (70 cm ved nødtrapper) og skal være udført i beton, jern eller andre ikke brændbare materialer.

2. Regler for redningsåbninger
Redningsåbninger er, modsat flugtveje, ikke nødvendigvis en normal indgang eller udgang. Derfor kan redningsåbninger være åbninger såsom et vindue eller en lem.
Reglerne forskriver, at der mindst skal være 1 redningsåbning ud i det fri pr. lokale, medmindre der er en anden flugtvej ud i det fri. Dog behøver man ikke redningsåbninger i et lokale med 2 flugtveje, der leder til andre rum med redningsåbninger.
Selvom en redningsåbning kan have mange afskygninger, er det nødvendigt at huske på, at redningsåbningen skal være mindst 1,5 meter i højde og bredde sammenlagt. Desuden må underkanten af redningsåbningen ikke være mere end 2 meter over udendørs terræn.
Åbningens underkant må højest være placeret 1,2 meter over gulvet inde i bygningen, ellers skal der etableres et trin. Desuden må åbninger ikke (hverken ved flugtveje eller redningsåbninger) være blokeret, hverken udefra eller indefra, og udgangen skal være nem at åbne.
De 10 vigtigste huskeregler er:
- Flugtveje udgange skal åbne med flugtretningen (Må ikke være skydedøre eller drejedøre)
- Højden i flugtvejene må ikke være under 1,9 meter - i nybyggeri skal højden være 2,1 meter.
- De påkrævet 2 flugtveje pr. lokale må ikke være mere end 50 meter fra hinanden.
- Flugtveje skal være tilstrækkeligt belyst (min. 30 minutter efter en strømafbrydelse) og have tydelig skiltning.
- Elevatorer, rulletrapper og rullefortove accepteres ikke som flugtveje.
- Trapper i forbindelse med flugtveje skal være min. 1 meter bred og ikke lavet i brændbart materiale
- Der bør intet sted i lokalet være over 25 meter til nærmeste flugtvejsudgang.
- Der skal være min. 1 redningsåbning (f.eks. vindue) pr. lokale, mindre der allerede er en flugtvej.
- Redningsåbningen skal være min. 1,5 meter i højden og bredden sammenlagt.
- Flugtveje, nødudgange og redningsåbner skal kunne passeres farefrit og må ikke blokeres af f.eks. inventar eller affald.
Husk årligt tjek af alle beslag
Det er påkrævet, at det skal være nemt og hurtigt at åbne en flugtvej og en redningsåbning. Vi anbefaler derfor altid flugtvejsbeslag, hvilket gør åbningen nem og sikker for alle i en evt. nødsituation.
Det er desuden muligt at få elektronisk styrede flugtvejsbeslag, så de automatisk åbnes i tilfælde af brand. Under alle omstændigheder anbefales det, at man gennemgår alle de forskellige åbninger og beslag fast hvert år, så sikkerheden er i orden, hvis uheldet er ude.

Nyeste anmeldelser
fra vores kunder
⭐️⭐️⭐️⭐️⭐️
Super service, svarer og kommer omgående, dygtige montører der har svar og lyst til at løse alle låseopgaver med et smil og faglig dygtighed.
Anders Elgen
⭐️⭐️⭐️⭐️⭐️
Super god service og høflige medarbejdere. Det gik dejlig hurtigt og de ryddede pænt op efter sig, intet skidt at sige herfra.
Nanna Hvitfeldt Appel
⭐️⭐️⭐️⭐️⭐️
Vil til hver en tid bruge Bagger låse og alarm. Bedre håndværk finder man ikke. Produkterne er i top og af bedste kvalitet. Kan varmt anbefale firmaet til både private og erhverv.
Frederik Postborg
⭐️⭐️⭐️⭐️⭐️
Tak til jer for hurtig udrykning, da vi ikke kunne komme ind til en borger - 10 minutter udrykningstid er der ikke mange der kan prale med!
Sorø Ældrepleje
⭐️⭐️⭐️⭐️⭐️
Super god service. Og de kan virkelig deres håndværk.
Palle Bjerrisgaard
⭐️⭐️⭐️⭐️⭐️
Har benyttet dem som firma, behagelig konsulent, kompetent, fin rådgivning.
Søren Skovgaard
⭐️⭐️⭐️⭐️⭐️
Fik opdateret mit tyverisikringsanlæg af Bagger Låse & Alarm. Hurtigt og effektivt og god service.
Steen Enrico Andersen
⭐️⭐️⭐️⭐️⭐️
Super professionelt firma med faglig og ledelsesmæssig høj kompentence.
Irene Diget
⭐️⭐️⭐️⭐️⭐️
Kan varmt anbefales. Handlet med Bagger i 20 år. Høj kvalitet og høj service.
Hilmer Juhl Christiensen
⭐️⭐️⭐️⭐️⭐️
Fremragende service, de kom og leverende varen, var super flinke og smilende. Havde sådan en god oplevelse og mit hjem var atter sikkert igen. Kan klart anbefales.
Ole Høj
⭐️⭐️⭐️⭐️⭐️
Bagger Låse kan kun anbefales - Meget tilfreds!
Frank Ditmar
⭐️⭐️⭐️⭐️⭐️
Bagger er lige blevet færdig med vores nye bygning - jeg kan på det varmeste anbefale dem :)
Vending Automater ApS
⭐️⭐️⭐️⭐️
Responsum anbefaler - både til alarm og SALTO KS adgangskontrol.
Responsum
⭐️⭐️⭐️⭐️⭐️
Kan godt anbefale at bruge dem, hurtig respons og forståelse for ens situation.
Lisbet Nielsen
⭐️⭐️⭐️⭐️⭐️
Dygtig, hurtig og meget professionelt arbejde af Ricki Andersen fra Bagger Låse. Kan varmt anbefale dette firma.
Tina Rosendhahl
⭐️⭐️⭐️⭐️⭐️
Vi har brugt Bagger flere gange i firmaet til låsesystemer og nøgler, vi er yderst tilfredse med servicen og ydelserne.
Jonas Vignal-Olsen
⭐️⭐️⭐️⭐️⭐️
Hurtig og effektiv montering af alarm. Supergodt tilfreds.
Vinylbaronen Slagelse
⭐️⭐️⭐️⭐️⭐️
Mette Bech Elsgaard
⭐️⭐️⭐️⭐️⭐️
Kan desværre kun give 5 stjerner, Bagger Låse & Alarm har helt klart fortjent 10 store stjerner.
Niklas Pandell
⭐️⭐️⭐️⭐️⭐️
Havde en episode natten til søndag, hvor jeg havde mistet mine nøgler. Mødte en glad og smilende låsesmed og er fuldt ud tilfreds med servicen.
Kristian Girstø Bay
⭐️⭐️⭐️⭐️⭐️
Forrige søndag havde jeg haft indbrud og i løbet af en halv time stod der en låsesmed fra Bagger. Det var super service i en dårlig situation og I må rose dem der var her for godt arbejde.
Lisbet Nielsen
⭐️⭐️⭐️⭐️⭐️
Professionelt firma med gode produkter af høj kvalitet. Enormt serviceorienteret og altid klar med en løsning på problemerne. Det er en fornøjelse at samarbejde med Bagger Låse.
Naboskab ApS
⭐️⭐️⭐️⭐️⭐️
Lynhurtigt service 👍
Renè Sørensen
⭐️⭐️⭐️⭐️⭐️
Super god service. Jeg er meget tilfreds.









